B & BT SERIES Power Chucks |
Three-jaw and two-jaw wedge style power chucks are ideal for high speed chucking, bar chucking and universal machining. These deliver consistent accuracy and repetitive chucking.
U.S. Patent No. 4410192
Special Features
- Large Thru-Hole
- Strong Clamping Force
- High Speed
- Compact and Lightweight
- Direct Mount
- High Accuracy and High Endurance
Model B and BT Series Chucks are manufactured from high grade alloy steel. All sliding surfaces are hardened and ground to assure consistent accuracy and performance.
Lubrication nipple in each base jaw.
Master Jaw Serration:
Chuck size 6" to 18": 1.5mm x 60°
Chuck size 21" & 24": 3mm x 60°
Mounting:
Direct mounting to fit ASA B5.9 type A (interchangeable with DIN 55026).
Standard Equipment:
Chuck assembled with adapter, chuck mounting bolts, soft top jaws, T-nuts and jaw mounting bolts with wrench, draw nut wrench.
SPECIFICATIONS
| MODEL |
UNIT |
B-06A05 |
B-08A06 |
B-10A06 |
B-10A08 |
B-12A06 |
B-12A08 |
B-15A08 |
B-15A11 |
B-18A08 |
B-18A11 |
B-21A11 |
B-21A15 |
B-24A11 |
B-24A15 |
| Spindle Nose |
|
A2-5 |
A2-6 |
A2-6 |
A2-8 |
A2-6 |
A2-8 |
A2-8 |
A2-11 |
A2-8 |
A2-11 |
A2-11 |
A2-15 |
A2-11 |
A2-15 |
| Thru-Hole |
in. |
1.299 |
1.811 |
2.559 |
2.559 |
3.071 |
3.071 |
4.626 |
4.626 |
4.626 |
4.626 |
5.512 |
5.512 |
6.496 |
6.496 |
| Jaw Stroke (Diameter) |
in. |
0.217 |
0.291 |
0.346 |
0.346 |
0.417 |
0.417 |
0.417 |
0.417 |
0.417 |
0.417 |
0.417 |
0.417 |
0.417 |
0.417 |
| Plunger Stroke |
in. |
0.472 |
0.630 |
0.748 |
0.748 |
0.906 |
0.906 |
0.906 |
0.906 |
0.906 |
0.906 |
0.906 |
0.906 |
0.906 |
0.906 |
| Max. Draw Bar Pull Force |
kN (kgf) |
20 (2039) |
31 (3161) |
38 (3875) |
38 (3875) |
49 (4997) |
49 (4997) |
71 (7240) |
71 (7240) |
71 (7240) |
71 (7240) |
90 (9177) |
90 (9177) |
90 (9177) |
90 (9177) |
| Max. Gripping Force |
kN (kgf) |
51 (5200) |
78 (7954) |
99 (10095) |
99 (10095) |
129 (13154) |
129 (13154) |
180 (18355) |
180 (18355) |
180 (18355) |
180 (18355) |
234 (23861) |
234 (23861) |
234 (23861) |
234 (23861) |
| Max. Speed |
rpm |
5000 |
4000 |
3500 |
3500 |
3000 |
3000 |
2500 |
2500 |
2000 |
2000 |
1700 |
1700 |
1400 |
1400 |
| Net Weight |
lbs. |
27.5 |
47.6 |
83.0 |
77.5 |
129.7 |
124.2 |
245.8 |
230.6 |
405.0 |
380.0 |
540.7 |
528.6 |
638.8 |
627.8 |
| GD 2 |
kg.m 2 |
.055 |
.153 |
.375 |
.357 |
.800 |
.785 |
2.470 |
2.385 |
|
4.775 |
|
9.25 |
|
16.85 |
| Matching Cylinder |
|
F1236H |
F1546H |
F1768H |
F1768H |
F2078H |
F2078H |
F2511H |
F2511H |
F2511H |
F2511H |
F2511H |
F2511H |
F2511H |
F2511H |
| Matching Soft Top Jaw |
|
SB06B1 |
SB08B1 |
SB10B1 |
SB10B1 |
SB12A1 |
SB12A1 |
SB15C1 |
SB15C1 |
SB15C1 |
SB15C1 |
SB18A2 |
SB18A2 |
SB18A2 |
SB18A2 |
| Matching Hard Top Jaw |
|
HB06B1 |
HB08A1 |
HB10A1 |
HB10A1 |
HB12B1 |
HB12B1 |
HB15A1 |
HB15A1 |
HB15A1 |
HB15A1 |
HB18B2 |
HB18B2 |
HB18B2 |
HB18B2 |
| MODEL |
UNIT |
B-04 |
B-05 |
BT04 |
BT05 |
BT06A05 |
BT08A06 |
BT10A06 |
BT10A08 |
BT12A06 |
BT12A08 |
BT15A08 |
BT15A11 |
| Spindle Nose |
dia. in. |
3.346 |
4.331 |
3.346 |
4.331 |
A2-5 |
A2-6 |
A2-6 |
A2-8 |
A2-6 |
A2-8 |
A2-8 |
A2-11 |
| Thru-Hole |
in. |
0.827 |
1.024 |
0.827 |
1.024 |
1.299 |
1.811 |
2.559 |
2.559 |
3.071 |
3.071 |
4.626 |
4.626 |
| Jaw Stroke (Diameter) |
in. |
0.165 |
0.201 |
0.165 |
0.201 |
0.217 |
0.291 |
0.346 |
0.346 |
0.417 |
0.417 |
0.417 |
0.417 |
| Plunger Stroke |
in. |
0.256 |
0.315 |
0.256 |
0.315 |
0.472 |
0.630 |
0.748 |
0.748 |
0.906 |
0.906 |
0.906 |
0.906 |
| Max. Draw Bar Pull Force |
lbs. |
1760 |
2860 |
1166 |
1914 |
2863 |
4626 |
5507 |
5507 |
7159 |
7159 |
10352 |
10352 |
| Max. Gripping Force |
lbs. |
2970 |
4950 |
1980 |
3300 |
7489 |
11454 |
14537 |
14537 |
18943 |
18943 |
26432 |
26432 |
| Max. Speed |
rpm |
5500 |
4500 |
5500 |
4500 |
5000 |
4000 |
3500 |
3500 |
3000 |
3000 |
2500 |
2500 |
| Net Weight |
lbs. |
8.1 |
14.1 |
7.7 |
13.2 |
27.1 |
44.5 |
78.2 |
72.7 |
118.9 |
113.4 |
234.8 |
219.6 |
| GD2 |
lbs.* ft. 2 |
0.5 |
1.4 |
0.5 |
1.2 |
4.4 |
10.9 |
29.6 |
27.5 |
63.1 |
60.9 |
199.4 |
191.1 |
| Matching Cylinder |
|
F0933 |
F1236H |
F0933 |
F1236H |
F1236H |
F1546H |
F1768H |
F1768H |
F2078H |
F2078H |
F2511H |
F2511H |
| Matching Soft Top Jaw |
|
SB04C1 |
SB05C1 |
SB04C1 |
SB05C1 |
SB06B1 |
SB08B1 |
SB10B1 |
SB10B1 |
SB12A1 |
SB12A1 |
SB15C1 |
SB15C1 |
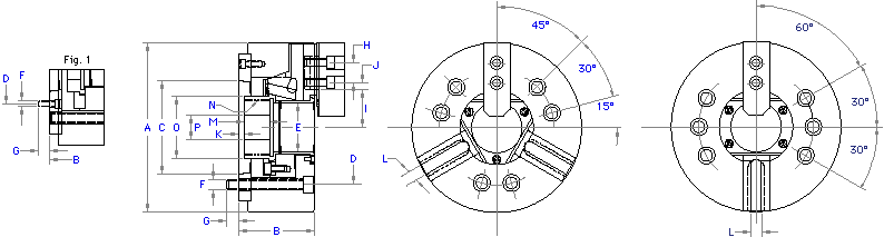
DIMENSIONS (Dimensions in Inches)

Gripping Characteristic Graphs


|