|
M SERIES Hydraulic Cylinders
| |
Compact and lightweight style hydraulic cylinders with closed centers. |
Special Features
- Compact and lightweight desing (less mass and moment of inertia)
- Built-in safety pressure relief valves
- Optional coolant or air thru models
- Built-in safety check valves
- Stroke sensor switches
- Low maintenance
Specifications
| Model |
Unit |
M-1120RA |
M-1120RB |
M-1120RC |
M-1121RA |
M-1121RB |
M-1221RC |
| Piston Stroke |
in. |
0.787 |
0.787 |
0.787 |
0.827 |
0.827 |
0.827 |
| Piston Area Pull Side |
in.2 |
13.5 |
13.5 |
13.5 |
16.3 |
16.3 |
16.3 |
| Piston Area Push Side |
in.2 |
13.0 |
13.0 |
13.0 |
15.8 |
15.8 |
15.8 |
| Max. Draw Bar Pull Side |
lbs |
6069 |
6069 |
6069 |
8542 |
8542 |
8542 |
| Max. Operation Pressure |
psi |
507 |
507 |
507 |
580 |
580 |
580 |
| Max. Speed |
rpm |
6000 |
6000 |
6000 |
6000 |
6000 |
6000 |
| GD2 |
lbs. • ft2 |
1.4 |
1.4 |
1.4 |
2.6 |
2.6 |
2.6 |
| Net Weight |
lbs |
18 |
18 |
18 |
22 |
23 |
22 |
| Oil Leakage Rate* |
gal./min. |
0.3 |
0.3 |
03 |
0.3 |
0.3 |
0.3 |
*oil leakage rate is based on operating pressure of 435 psi at oil temperature of 122¼ F.
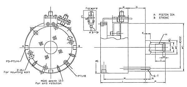
Dimensional Drawings
M...RA Type (Air)

M...RB Type (Coolant)

M...RC Typec (Non-Coolant)

| Model |
M-1120RA |
M-1120RB |
M-1120RC |
M-1121RA |
M-1121RB |
M-1120RA |
| A |
4.331 |
4.331 |
4.331 |
4.724 |
4.724 |
4.724 |
| B |
0.787 |
0.787 |
0.787 |
0.827 |
0.827 |
0.827 |
| C |
5.709 |
5.709 |
5.709 |
6.614 |
6.614 |
6.614 |
| D |
5.039 |
5.039 |
5.039 |
5.709 |
5.709 |
5.709 |
| E |
1.654 |
1.654 |
1.654 |
1.654 |
1.654 |
1.654 |
| F |
1.181 |
1.181 |
1.181 |
1.181 |
1.181 |
1.181 |
| G |
0.866 |
0.866 |
0.866 |
0.866 |
0.866 |
0.866 |
| H |
M20X2.5 |
M20X2.5 |
M20X2.5 |
M20X2.5 |
M20X2.5 |
M20X2.5 |
| J |
1.181 |
1.181 |
1.181 |
1.181 |
1.181 |
1.181 |
| K |
0.591 |
0.591 |
0.591 |
0.591 |
0.591 |
0.591 |
| L |
5.315 |
6.890 |
5.315 |
5.315 |
6.890 |
5.315 |
| M |
4.921 |
4.921 |
4.921 |
4.921 |
4.921 |
4.921 |
| N |
0.551 |
0.551 |
0.551 |
0.669 |
0.669 |
0.669 |
| O |
2.362 |
2.362 |
2.362 |
2.362 |
2.362 |
2.362 |
| P max |
1.575 |
1.575 |
1.575 |
1.535 |
1.535 |
1.535 |
| P min. |
2.362 |
2.362 |
2.362 |
2.362 |
2.362 |
2.362 |
| Q max |
2.835 |
2.835 |
2.835 |
2.835 |
2.835 |
2.835 |
| Q min. |
2.047 |
2.047 |
2.047 |
2.047 |
2.047 |
2.047 |
| R. |
1.024 |
1.024 |
1.024 |
1.063 |
1.063 |
1.063 |
| S |
6.189 |
6.189 |
6.189 |
7.094 |
7.094 |
7.094 |
| T |
M8X1.25 |
M8X1.25 |
M8X1.25 |
M10X1.5 |
M10X1.5 |
M10X1.5 |
| U |
0.551 |
0.551 |
0.551 |
0.669 |
0.669 |
0.669 |
| V |
|
4.095 |
|
|
4.095 |
|
|