NRC Series
| Self-contained air chucks with rotary sleeves. Ideal for low-speed applications, such as rotary tables. |
Special Features
- Self-contained body with integral cylinder
- Standard soft jaws can be formed for precise operations
- Rotary sleeve for easy installation of air lines
- Flexible mounting can be used with all major rotary table manufcaturers
Specifications
| Model |
Unit |
NRC-04 |
NRC-06 |
NRC-08 |
NRC-10 |
| Thru-Hole |
in. |
|
|
|
|
| Jaw Stroke (diam.) |
in. |
0.205 |
0.205 |
0.248 |
0.248 |
| Plunger Stroke |
in. |
0.591 |
0.472 |
0.591 |
0.591 |
| Max. Gripping Force |
lbs. |
551 |
4717 |
2425 |
3593 |
| Max. Air Pressure |
psi |
85 |
85 |
85 |
85 |
| Max. Speed |
rpm |
33.3 |
33.3 |
33.3 |
33.3 |
| Net Weight |
lbs. |
16 |
35 |
61 |
93 |
| Matching Soft Top Jaw |
|
SB04B1 |
SB06B1 |
SB08B1 |
SB10B1 |
| Matching Hard Top Jaw |
|
HB04N1 |
HB06B1 |
HB08A1 |
HB10A1 |
Model NRC Series Chucks are manufactured from high grade alloy steel. All sliding surfaces are hardened and ground to assure consistent accuracy and performance.
Lubrication nipple in each base jaw.
Master Jaw Serration
Chuck size 4" to 10": 1.5mm x 60¼
Mounting
Mounting supplied as optional adapter plate per applications.
Standard equipment
Chuck assembled with soft jaws, T-nuts, jaw mounting bolts and chuck mounting bolts.
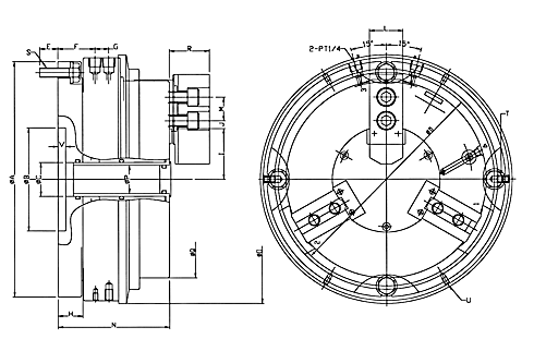
Dimensional Drawings

DIMENSIONS
| Model |
NRC-04 |
NRC-06 |
NRC-08 |
NRC-10 |
| A |
6.535 |
9.094 |
9.843 |
12.598 |
| B |
3.150 |
4.331 |
4.331 |
5.512 |
| C |
|
0.984 |
1.417 |
|
| D |
5.709 |
8.110 |
8.937 |
11.614 |
| E |
0.689 |
0.728 |
0.748 |
0.846 |
| F |
1.159 |
1.425 |
1.543 |
1.543 |
| G |
0.516 |
0.567 |
0.567 |
0.567 |
| H |
0.709 |
0.945 |
1.024 |
1.102 |
| Imax. |
1.004 |
1.752 |
2.087 |
2.598 |
| I min. |
0.902 |
1.650 |
1.963 |
2.474 |
| J max. |
0.443 |
0.482 |
0.699 |
0.748 |
| J min. |
0.325 |
0.187 |
0.344 |
0.345 |
| L |
0.906 |
1.220 |
1.378 |
1.575 |
| M |
0.551 |
0.787 |
0.984 |
1.181 |
| N |
3.661 |
4.094 |
4.606 |
4.724 |
| O |
6.299 |
8.701 |
10.394 |
12.126 |
| P |
|
|
|
|
| Q |
4.315 |
6.496 |
8.252 |
9.898 |
| R |
1.063 |
1.417 |
1.654 |
1.811 |
| S |
M10 |
M12 |
M10 |
M12 |
| T |
M6x12 |
M6x12 |
M8x15 |
M8x12 |
| U |
M5x8 |
M5x8 |
M5x8 |
M5x8 |
| V |
0.197 |
0.276 |
0.315 |
0.315 |
|