JN SERIES Scroll Chucks |
| |
High quality, steel body, precision scroll chucks. Two-, three- and four-jaw configurations available. |
Specifications
| Model |
Unit |
JN-06T |
JN-07T |
JN-09T |
JN-10T |
JN-12T |
| Thru-Hole |
in. |
1.771 |
2.165 |
2.755 |
3.346 |
3.779 |
| Max. Gripping force |
KN (kgf) |
30 (3059) |
36 (3671) |
39 (3977) |
45 (4584) |
54 (5506) |
| Gripping Range Int. (Diameter) |
in. |
2.165-5.906 |
2.441-6.693 |
2.756-8.268 |
3.150-6.350 |
3.543-11.417 |
| Gripping Range Ext. (Diameter) |
in. |
0.118-6.30 |
0.157-7.087 |
0.197-8.661 |
0.197-10.236 |
0.394-11.811 |
| Max. Speed |
rpm |
4000 |
3500 |
2900 |
2500 |
2200 |
| Net Weight |
lbs. |
20 |
29 |
49 |
64 |
95 |
| GD2 N.m 2 (kgf.m 2 ) |
N.m 2 (kgf.m 2 ) |
1.27 (0.13) |
2.45 (0.25) |
6.37 (0.65) |
10.3 (1.06) |
23 (2.35) |
| Handle Torque |
ft. lbs. |
65 |
80 |
108 |
130 |
151 |
| Matching Soft Top Jaw |
ft. lbs. |
SBS06 |
SBS07 |
SBS09 |
SBS10 |
SBS12 |
| Matching Hard Top Jaw |
ft. lbs. |
HBS06C |
HBS07C |
HBS09C |
HBS10C |
HBS12C |
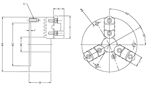
Dimensional Drawings

Dimensions
| Model |
JN-06 |
JN-07T |
JN-09T |
JN-10T |
JN-12T |
| A |
6.496 |
7.480 |
9.134 |
10.748 |
12.205 |
| B |
2.559 |
2.953 |
3.307 |
3.386 |
3.780 |
| C |
5.118 |
6.102 |
7.480 |
9.055 |
10.236 |
| D |
5.787 |
6.772 |
8.268 |
9.843 |
11.220 |
| E |
1.772 |
2.165 |
2.756 |
3.346 |
3.780 |
| F |
0.197 |
0.197 |
0.236 |
0.236 |
0.276 |
| G |
M10-3 |
M10-3 |
M12-3 |
M12-3 |
M12-3 |
| H |
2.677 |
3.150 |
3.543 |
3.937 |
4.528 |
| J |
1.024 |
1.102 |
1.206 |
1.378 |
1.575 |
| K |
1.535 |
1.654 |
1.969 |
2.126 |
2.205 |
| L |
0.394 |
0.433 |
0.472 |
0.472 |
0.551 |
|
|
|
|