CHUCK ADAPTERS Chuck Adapter Plates ASA B5.9 Type A
(Interchangeable DIN 55026)
SPINDLES
| MODEL |
NOSE |
5 |
6 |
8 |
11 |
15 |
| N |
6 |
CB-06A05 |
|
|
|
|
| 8 |
CN-08A05 |
CB-08A06 |
|
|
|
| 10 |
|
CN-10A06 |
CB-10A08 |
|
|
| 12 |
|
CN-10A06 |
CB-10A08 |
|
|
| NLT |
6 |
CBT0GA05 |
|
|
|
|
| 8 |
CNT08A05 |
CBT08A06 |
|
|
|
| 10 |
|
CBT10A06 |
CBT10A08 |
|
|
| 12 |
|
CBT10A06 |
CBT10A08 |
|
|
| B |
6 |
CB-06A05 |
|
|
|
|
| 8 |
CB-08A05 |
CB-08A06 |
|
|
|
| 10 |
|
CB-10A06 |
CB-10A08 |
|
|
| 12 |
|
CB-10A06 |
CB-10A08 |
|
|
| 15 |
|
|
CB-15A08 |
CB-15A11 |
|
| 18 |
|
|
CB-18A08 |
CB-18A11 |
|
| 21 |
|
|
|
CB-21A11 |
CB-21A15 |
| 24 |
|
|
|
CB-21A11 |
CB-21A15 |
| BT |
6 |
CBT06A06 |
|
|
|
|
| 8 |
CBT08A05 |
CBT08A06 |
|
|
|
| 10 |
|
CBT10A06 |
CBT10A08 |
|
|
| 12 |
|
CBT10A06 |
CBT10A08 |
|
|
| 15 |
|
|
CBT15A08 |
CBT15A11 |
|
| B-200, BL-200 |
6 |
CB-06A05 |
|
|
|
|
| 8 |
CB-08A05 |
CB-08A06 |
|
|
|
| 10 |
|
CB-10A06 |
CB-10A08 |
|
|
| 12 |
|
CB-10A06 |
CB-10A08 |
|
|
| BT200 |
6 |
CBT06A05 |
|
|
|
|
| 8 |
CBT08A05 |
CBT08A06 |
|
|
|
| 10 |
|
CBT10A06 |
CBT10A08 |
|
|
| 12 |
|
CBT10A06 |
CBT10A08 |
|
|
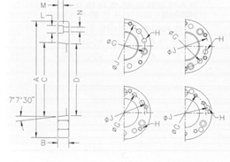
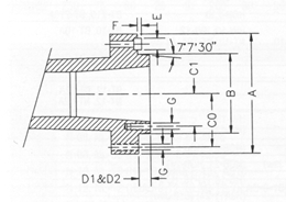
DIMENSIONS (Dimensions in Inches)

Fig. 1 |

Fig. 2 |
** Spindle Adapter Plates are manufactured to close tolerances and fits. These dimensions are for reference only!
| MODEL |
CB06A05 |
CB08A05 |
CB08A06 |
CB10A06 |
CB10A08 |
CB15A08 |
CB15A11 |
CB18A08 |
CB18A11 |
CB21A11 |
CB21A15 |
CN10A06 |
| Spindle Nose |
A2-5 |
A2-5 |
A2-6 |
A2-6 |
A2-8 |
A2-8 |
A2-11 |
A2-8 |
A2-11 |
A2-11 |
A2-15 |
A2-6 |
| A |
5.512 |
6.693 |
6.693 |
8.661 |
8.661 |
11.811 |
11.811 |
14.961 |
14.961 |
14.961 |
14.961 |
7.874 |
| B |
0.591 |
0.866 |
0.669 |
0.984 |
0.709 |
1.299 |
0.866 |
1.299 |
0.866 |
1.614 |
1.063 |
0.787 |
| C |
3.250 |
3.250 |
4.188 |
4.188 |
5.501 |
5.501 |
7.751 |
5.501 |
7.751 |
7.751 |
11.25 |
4.188 |
| D |
3.138 |
3.138 |
4.055 |
4.055 |
5.354 |
5.512 |
7.563 |
5.512 |
7.563 |
7.563 |
9.921 |
4.055 |
| E |
0.641 |
0.641 |
0.766 |
0.766 |
0.953 |
0.953 |
1.156 |
0.953 |
1.156 |
1.156 |
1.406 |
0.766 |
| F |
0.256 |
0.256 |
0.256 |
0.256 |
0.315 |
0.315 |
0.394 |
0.315 |
0.394 |
0.394 |
0.394 |
0.256 |
| G |
4.125 |
4.125 |
5.250 |
5.250 |
6.750 |
6.750 |
9.252 |
6.750 |
9.252 |
9.252 |
13.000 |
5.250 |
| H |
0.472 |
0.433 |
0.531 |
0.531 |
0.669 |
0.669 |
0.827 |
0.669 |
0.827 |
0.827 |
0.945 |
0.531 |
| J |
4.567 |
5.250 |
5.906 |
6.750 |
7.480 |
9.252 |
10.236 |
9.252 |
12.598 |
13.000 |
13.000 |
6.750 |
| K |
|
M12 |
|
M16 |
|
M20 |
|
M20 |
|
M22 |
|
M16 |
| L |
0.433 |
0.669 |
0.433 |
0.787 |
0.551 |
0.984 |
0.669 |
0.984 |
0.669 |
1.260 |
0.787 |
0.787 |
| M |
0.276 |
0.433 |
0.276 |
0.531 |
0.394 |
0.669 |
0.433 |
0.669 |
0.433 |
0.827 |
0.591 |
0.315 |
| N |
0.260 |
|
0.260 |
|
0.354 |
|
0.433 |
|
0.433 |
|
0.531 |
|
| Fig. |
1A |
2 |
1B |
2 |
1C |
2 |
1C |
2 |
1C |
2 |
1D |
2 |
For ASA B5.9 Type A (Interchangeable DIN 55026) Spindles
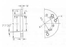
SHORT TAPER SPINDLE NOSE STANDARDS (Standards in Inches)
 
| SPINDLE NOSE SIZE NO. |
A2-5 |
A2-6 |
A2-8 |
A2-11 |
A2-15 |
| Outside Diameter |
A |
5.236 |
6.496 |
8.268 |
11.024 |
14.961 |
| Max. Taper Diameter |
B |
3.251 |
4.188 |
5.501 |
7.751 |
11.251 |
| P.C.R. Outer Bolts |
C0 |
2.063 |
2.626 |
3.374 |
4.626 |
6.500 |
| P.C.R. Inner Bolts (A1 Only) |
C1 |
1.219 |
1.626 |
2.187 |
3.250 |
4.874 |
| Spigot Height (A1 Only) |
D1 |
0.563 |
0.625 |
0.687 |
0.750 |
0.813 |
| Spigot Height (A2 Only) |
D2 |
0.512 |
0.551 |
0.630 |
0.709 |
0.748 |
| Driving Stud Diameter |
E |
0.626 |
0.750 |
0.937 |
1.126 |
1.374 |
| Driving Stud Height |
F |
0.197 |
0.197 |
0.236 |
0.315 |
0.315 |
| Bolt Hole Size |
G |
M10 |
M12 |
M16 |
M18 |
M22 |
Type A1 and A2 ASA B5.9 Type A, DIN 55026, ISO B702 Part 1, BS 4442 Part 1.
|