Special Features
- Compact and lightweight
- Super big thru-hole
- Direct mount
- High accuracy and high endurance
Specifications
| Model |
Unit |
BB-06 |
BB-08 |
BB206 |
BB208 |
BB210 |
BB212 |
| Thru-Hole |
in. |
2.047 |
2.598 |
2.087 |
2.598 |
3.189 |
4.173 |
| Jaw Stroke (Diam.) |
in. |
0.217 |
0.291 |
.217 |
0.291 |
0.346 |
0.394 |
| Plunger Stroke |
in. |
0.472 |
0.630 |
0.472 |
0.630 |
0.748 |
0.906 |
| Max. Draw Bar Pull Force |
kN (kgf) |
|
|
20 (2039) |
32 (3263) |
48.8 (4976) |
59 (6016) |
| Max. Gripping Force |
kN (kgf) |
|
|
58.5 (5965) |
99 (10095) |
126 (12848) |
153 (15601) |
| Max. Speed |
rpm |
5300 |
4600 |
6000 |
5000 |
4500 |
3500 |
| Net Weight |
lbs. |
25 |
51 |
28 |
53 |
70 |
125 |
| GD 2 |
kg.m 2 |
|
|
.050 |
.143 |
.312 |
.736 |
| Matching Cylinder |
in. |
S1552 |
S1875 |
SS1453 S1552 |
S1666 S1875 |
SS1881 S2091 |
SS2110 F2511H00 |
| Matching Soft Top Jaw |
|
SB06B1 |
SB08B1 |
SB06B1 |
SB08B1 |
SB10B1 |
SB12N1 |
| Matching Hard Top Jaw |
|
HB06B1 |
HB08A1 |
HB06B1 |
HB08A1 |
HB10B1 |
HB12N1 |
Model BB Series Chucks are manufactured from high grade alloy steel. All sliding surfaces are hardened and ground to assure consistent accuracy and performance.
Lubrication nipple in each base jaw.
Master Jaw Serration
Chuck size 6" to 8": 1.5mm x60¼
Mounting
Direct mounting to fit ASA B5.9 type A (interchangeable with DIN 55026).
Standard Equipment
Chuck assembled with adapter, chuck mounting bolts, soft top jaws, T-nuts and jaw mounting bolts with wrench, draw nut wrench.
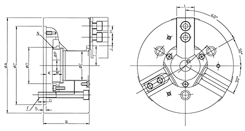
Dimensional Drawings

Dimensions
| Model |
BB-06 |
BB-08 |
BB206 |
BB208 |
BB210 |
BB212 |
| A |
6.693 |
8.268 |
6.693 |
8.268 |
10.000 |
12.402 |
| B |
3.228 |
3.583 |
3.188 |
3.583 |
3.937 |
4.252 |
| C |
5.512 |
6.693 |
5.512 |
6.693 |
8.661 |
11.811 |
| D |
4.126 |
5.252 |
4.126 |
5.252 |
|
9.252 |
| E |
2.047 |
2.598 |
2.087 |
2.598 |
3.189 |
4.173 |
| F |
3xM10 |
3xM12 |
3xM10 |
3xM12 |
3xM16 |
3xM16 |
| G |
0.559 |
0.638 |
.0630 |
0.638 |
1.063 |
1.063 |
| H |
0.787 |
0.984 |
.0787 |
0.984 |
0.984 |
1.181 |
| I max. |
1.398 |
1.799 |
1.417 |
1.799 |
2.126 |
2.638 |
| I min. |
1.289 |
1.654 |
1.309 |
1.654 |
1.953 |
2.441 |
| J max. |
0.837 |
0.935 |
.0837 |
0.935 |
1.270 |
1.801 |
| J min. |
0.423 |
0.463 |
0.423 |
0.463 |
0.561 |
0.620 |
| K max. |
0.433 |
0.571 |
.0433 |
0.571 |
0.335 |
0.315 |
| K min. |
-0.039 |
-0.059 |
-0.039 |
-0.059 |
-0.413 |
-0.591 |
| L |
1.220 |
1.378 |
1.307 |
1.378 |
1.575 |
1.969 |
| M |
0.689 |
0.787 |
0.689 |
0.787 |
1.102 |
1.102 |
| N max. |
M60x1.5 |
M74x2.0 |
M60x2.0 |
M74x2.0 |
M90x2.0 |
M115x2.0 |
| O |
2.560 |
3.150 |
2.598 |
3.150 |
3.376 |
4.882 |
| P |
0.787 |
1.181 |
0.787 |
1.181 |
1.772 |
1.969 |
|